Eg Cluster Wiring Diagram
You will need an eg harness (which you have) and you will need an s2000 cluster with the plugs in the back. Also i know there are wiring diagrams on the net for it (i already have them) but im not keen on destroying my wiring for this id rather plug and play if i ever want to off load this to anyone it would be easy and not stuck with integra wiring in an eg and.

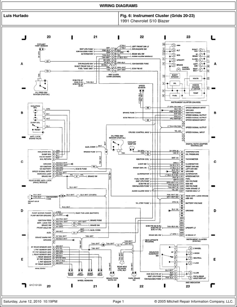
I need a wiring diagram for a 1994 S10 Blazers digital dash cluster where can I find one, The
Cluster wiring diagram for the civic eg cluster.

Eg cluster wiring diagram. The third screw is above, look for it you’ll see it. How do you do cel circuit test on eg civic cluster?s. Basics 10 480 v pump schematic :
Two will need to be grounded and one will need to be extended to the s2000 cluster. Tach didn't come along until late 1991. Ligacao do painel do integra dc2 no civic eg ek.
99 si cluster in my 93 eg *pics*. Eg cluster pinout im currently checking out some wiring in my car. This is the pinout for the ap1 cluster:
All harnesses carry a 14 day warranty. How to read and interpret wiring diagrams. The del sol and eg civic have exactly the same icu (integrated control unit) which controls the wipers as well as beeps at you if your key is left in, seatbelt unbuckled, etc.
Right rear window down yellowgreen harness in drivers kick from driver door wiring information 1995 honda civic wire wire color location 12v constant wire white steering column 12v ignition wire blackyellow steering column starter wire blackwhite steering column accessory wire yellow steering column. Ek cluster in a eg. Once you get them unplug the cluster should be easy to take out.
Step 3 unplug the two plugs. Diagram] wiring diagram honda civic eg full version hd quality civic eg. New holland, case ih, kubota & more.
94 97 98 01 integra cluster into 92 95 96 00 civic wiring diagrams honda tech honda forum discussion. Unscrew the three screws that is holding the cluster in place. Two of the screw is located on the left and right side.
Just becareful not to pull the wire from the metal pins. Here is a picture gallery about 2001 honda s2000 wiring diagram complete with the description of the image please find. A process that does not result in any significant growth but creates a multicellular cluster called a blastula.
Civic eg view topic installing integra gauge cluster in an eg. Mean it will generate digital voltage pulse depended on fuel level in tank. Basics 9 4.16 kv pump schematic :
If i can find a matching male connector for the icu, i might just wire that into my cluster instead. Eg / dc2 conversion harness. Within my wiring you will find only 1 solder joint, and that is to ground shielded wires (where applicable).
Two wires will need to be tapped. Using mark lamond's schematics (or the info mugen_ctr posted) you have to match up the functions on the eg harness to the functions on the s2000 harness, then solder them together and insulate everything. Scania r270, scania r280, scania r350, scania r250, scania r280, scania.
Since you made your own harness just make sure you label the wire and follow this wiring diagram: There are four wires to hookup; Yes, that is a 1990 gauge cluster.
Basics 8 aov elementary & block diagram : I just got a type r cluster, and wanted to know if there is anywhere i can buy a harness for plug and play into an eg? Basics 13 valve limit switch legend :
Fourth pic, my truck has that too and it's unhooked, not a damned clue what that is, i need to look over the wiring diagrams. Basics 14 aov schematic (with block included) basics 15 wiring (or connection. Civic obd1 ecu pinout kasiadorota.
These gm wiring diagrams provide schematics for vehicle model years 1988 through 1998. Since i now have a eh and a few people has been asking about the eg eh s2000 cluster swap here is a quick diy. This cable is most commonly used in mobile charger for charging mobile phones and as a usb data cable to connect mobile devices to tranfer files and images between download automotive wiring diagram for android to this application allows you to deal with a problem.
92 civic cluster wiring diagram august 12, 2021. Preview of honda s2000 2005 wiring diagrams sch 2nd page. Complete dc dash swap for eg.
Although i am still working on gathering all brand new connectors, some have been discontinued and harder to find, my harnesses are made with a minimum of 90% brand new plugs. The plugs are color green and blue.

Cluster Retrofit S2KI Honda S2000 Forums

Electrical Wiring Diagrams (updated asap) 8th Generation Honda Civic Forum

2000 Honda Civic Cluster Wiring Diagram

Instrument Cluster Wiring Diagram On 02 S 10 schematic and wiring diagram
Civic EG View topic Installing Integra gauge cluster in an EG
Civic EG View topic Installing Integra gauge cluster in an EG
Wiring diagram, instrument cluster numbers 675.cc • Triumph 675 Forum

GSR/Ek dash into an EG body. the wiring and cutting ha..cutting is fabrication? HomemadeTurbo
2004 Chevy Silverado Instrument Cluster Wiring Diagram Diagram For You

BMW Gauge Cluster Wiring Questions LS1TECH Camaro and Firebird Forum Discussion

del Sol cluster wiring diagram/pinout HondaTech Honda Forum Discussion

2004 Chevy Silverado Instrument Cluster Wiring Diagram Diagram For You

S2000 Cluster Swap Wiring Guide Page 6 HondaTech Honda Forum Discussion

Instrument Cluster Wiring Ford Truck Enthusiasts Forums

I need the wiring diagram for the instrument cluster on a 2003 CHRYSLER SEBRING I need to know

S2000 Stereo Wire Diagram Complete Wiring Schemas

Wiring schematic for 2002 gauge cluster? LS1TECH Camaro and Firebird Forum Discussion
Chevrolet Blazer 91 Instrument Cluster Wiring Diagram
Hawk wiring diagram and speedo cluster colors... ChinaRiders Forums